Novaservis Ferro GPA III Elektronické obehové čerpadlo 25-40/130 mm 254130GPA3 - pripojenie 130 mm
Elektronicky riadené cirkulačné čerpadlo GPA III 25-40/130 od Novaservis / FERRO je výkonné a úsporné riešenie pre obeh teplej alebo studenej vody vo vykurovacích a cirkulačných systémoch. Umožňuje automatickú reguláciu výkonu podľa aktuálnych potrieb, čím šetrí energiu a predlžuje životnosť systému. Vďaka robustnej konštrukcii a viacnásobným prevádzkovým režimom je ideálne pre moderné domy aj bytové objekty.
- Katalógové číslo: 254130GPA3
-
pripojenie 130 mm
134,85 €
-
pripojenie 180 mm
134,85 €
Predajne a termíny dodania
Elektronické obehové čerpadlo GPA III 25-40/130 je špičkové cirkulačné čerpadlo určené pre efektívnu reguláciu obehovej vody v kúrenárskych systémoch či teplovodných aplikáciách. Vyznačuje sa vysokou energetickou účinnosťou (EEI ≤ 0,20), flexibilitou prevádzky a spoľahlivosťou aj pri dlhodobej záťaži. Vstavané elektronické riadenie optimalizuje výkon automaticky podľa rozdielu tlakov, čím znižuje spotrebu energie bez kompromisov v výkone.
Toto čerpadlo je ideálne pre:
-
ústredné vykurovanie (radiátory, podlahové kúrenie),
-
obeh teplej vody v domoch a vyšších objektoch,
-
systémy s glykolovými zmesami (napr. solárne okruhy) až do 50 % koncentrácie.
Moderné riadenie umožňuje niekoľko prevádzkových režimov, vrátane konštantných otáčok, konštantného tlaku či riadenia cez PWM signál, čo poskytuje maximálnu flexibilitu pre rôzne aplikácie
🧰 Ideálne použitie
Toto elektronické obehové čerpadlo je perfektným riešením pre moderné vykurovacie systémy, kde je dôležitá presná regulácia výkonu aj úspora energie. Vďaka variabilným režimom je vhodné pre rodinné domy, bytové domy aj priemyselné objekty.
✔ Energeticky úsporné s nízkou spotrebou (EEI ≤ 0,20) – nižšie prevádzkové náklady.
✔ Viacero režimov riadenia pre optimalizáciu výkonu.
✔ Vysoká kompatibilita so štandardnými inštaláciami (G 6/4″).
✔ Prevádzka s glykolovými zmesami – vhodné aj pre solárne a antikorózne systémy.
✔ Robustná konštrukcia s vysokou odolnosťou voči tlaku a teplote
📊 Technické údaje
| Parameter | Hodnota |
|---|---|
| Prevádzkový rozsah (max.) | 2,8 m³/h |
| Výtlačná výška (max.) | 4 m |
| Médium | voda, glykol až do 50 % |
| Maximálny tlak | 10 bar |
| Trieda krytia | IP44 |
| Trieda izolácie | H |
| Energetická účinnosť (EEI) | ≤ 0,20 |
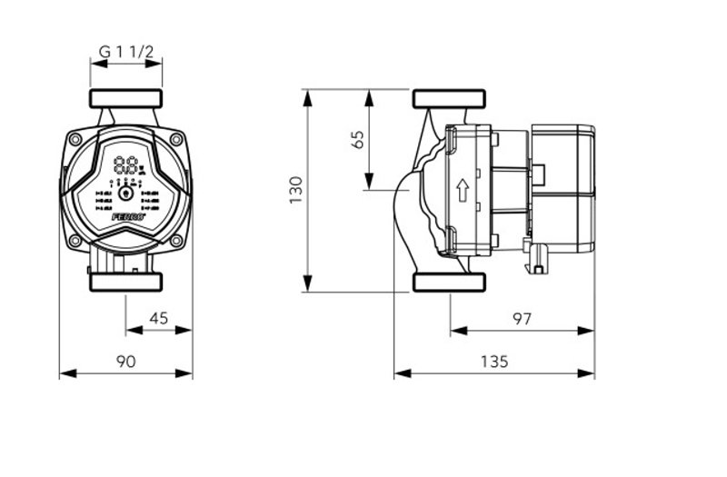
| Stavebná dĺžka / rozstup pripojenia | 130 mm |
| Pripojenie | G 6/4″ (G1 1/2) |
| Prevádzkové režimy | AUTO, HS, BL, HD, PWM |
| Elektrické napätie | 230 V ~, 50–60 Hz |
| Příkon / Prúd | cca 5 – 25 W / 0,04 – 0,25 A |
| Teplota média | +2 °C až +110 °C (voda); –30 °C až +110 °C (50 % glykol) |
| Teplota okolia | 0 °C až +70 °C (voda); –30 °C až +70 °C (50 % glykol) |
| Inštalácia | s hriadeľom v horizontálnej polohe |
